摘要:高能貼片壓敏電阻是電路保護家族的一類新成員,雖然從電路保護的機理上,跟插腳的壓敏電阻相同,但是因為生產制造工藝的差異化,造就了高能貼片壓敏電阻不同于傳統插腳壓敏電阻的獨特的應用場景,首先高能貼片壓敏電阻的貼片化、小型號和高能化的特點, 是適應現在電子行業發展趨勢的,現在電子行業的發展就是向小型化、輕量化和生產自動化發展。同時,高能貼片壓敏電阻耐受浪涌沖擊的能量強,重復性和一致性好,這些特點非常類似瞬態抑制二極管TVS,在某些特定的場合,可以作為TVS替代的一種選擇。
除此以外,高能貼片壓敏電阻有著不同于其他過壓保護器件比如氣體放電管GDT、瞬態抑制二極管TVS等的不同的特性,特別在高壓大通流方面,具有不可替代的優勢。高能貼片壓敏電阻高溫性能穩定,浪涌失效不起火,這些特點也使得高能貼片壓敏電阻在對高溫穩定性和安全性有特殊要求的場合,比如汽車電子和5G通訊等市場,有其獨特的應用場景。
中國的高能貼片壓敏電阻的生產相對國際市場來說剛剛起步,特別在汽車電子和工業控制等高端領域,外國企業占據絕對的市場份額,同時新能源汽車、5G通訊和智能家居領域的發展,特別是第三代半導體氮化鎵的普及,對貼片壓敏電阻的高耐壓、低殘壓以及高安全性提出了新的要求, 本文就高能貼片壓敏電阻在跟隨新技術和新應用發展趨勢方面,做了有益的探索。

貼片化電路保護的趨勢
貼片壓敏電阻器作為電路保護領域的關鍵元件,其核心功能在于吸收瞬態過電壓、抑制浪涌電流并穩定電路運行。器件通過非線性的電壓電流特性, 在正常工作電壓下呈現高阻態,而在超過閾值電壓時迅速轉為低阻態,從而將過電壓電流導向接地路徑或分散吸收,有效保護敏感電子設備或者線路免受損壞。近年來, 隨著電子產品的小型化、薄型化和輕量化的發展, 對電子元器件也相應的提出了貼片化、小型化以及高能化的要求,貼片壓敏電阻正是適應這種發展趨勢的一類新型的過壓保護器件,得到了市場的廣泛關注。
市場預測顯示,2023年中國貼片壓敏電阻器市場規模已達82億元,未來五年將保持12.8%的年均復合增長率,預計到2030年市場規模突破200億元。產品結構方面,車規級產品占比將從2023年的28%提升至2030年的45%,工業級產品占比穩定在35%左右。
產業政策層面,”十四五” 國家戰略性新興產業發展規劃明確提出要重點突破高端電子元器件技術瓶頸,世界上發達國家電子元器件片式化率已高達80%以上,而我國僅為約30%1,預計到2025年國內貼片壓敏電阻器自給率將從當前的不到30%提升到75%或以上,這就為該貼片壓敏電阻的國產替代創造了政策紅利窗口期。
貼片壓敏電阻器目前可分為二類,一類為 ESD 靜電防護型,二類為高能型。ESD 靜電防護型主要用于對 IC 及其它設備的信號電路進行保護,防止因靜電放電、浪涌及其它瞬態電流而造成對它們的損壞。高能型主要用于替代插件壓敏電阻(5D,7D)和瞬態抑制二極管 TVS,在某些對體積和外觀有特殊要求的產品上作過電壓浪涌保護用。本文所探討的,是對高能貼片壓敏電阻進行探討。
據權威部門的市場調研報告,在2003年插腳壓敏電阻的出貨量是100億只,而在2019年全球的出貨量超過500億只。按照中國電子元件行業協會信息中心,全球有72億元的市場規模,大概720億只的出貨,如果按照貼片疊層壓敏對插腳壓敏電阻的10%的替換率,每年就有72億只的市場空間,對于高能貼片壓敏電阻的應用潛力巨大。
高能貼片壓敏電阻的另外一個重要的應用是對大功率瞬態抑制二極管TVS等半導體二級管的替代,因為優異的高溫穩定性能和高壓大通流性能,使得高能貼片壓敏電阻在細分應用有不可替代的優勢,按照中國電子元件行業協會信息中心,2024年全球有191億元的規模,如果也是按照10%的替換率,2024年高能貼片壓敏也至少有19億元的規模2。
早期國際壓敏電阻領導品牌比如力特、松下和EPCOS等知名壓敏廠家都在推廣高能貼片壓敏電阻3 ,卻因為價格原因和耐雷擊電流不大的原因, 雖然市場需求剛性,發展空間廣大,推廣起來舉步蹣跚,導致一直以來市場的供貨量并不大,應用也僅僅局限在汽車電子和5G通訊安防等有限的領域。
近幾年來,得益于低溫共燒技術的發展,低銀鈀和純銀內電極的使用,降低了高能壓敏電阻的制造成本,而通流密度的加大,也使得高能貼片壓敏在高電壓領域的使用成為可能,比如某企業在LED照明行業大力推廣高能貼片壓敏電阻, 目前整個照明行業都已經廣泛的接受和采用高能貼片壓敏電阻作為浪涌防護器件,2024年估計中國的出貨量10億只。
消費電子領域構成高能貼片壓敏電阻的最大應用市場, 2022 年全球智能手機出貨量 12.1 億部,按每個充電器一顆計算,僅手機市場年需求規模即達 12 億顆。智能家電領域,全屋智能解決方案推動戶均用量從傳統家電的 5 顆躍升至 30 顆,以 2025 年預計的4 億戶城鎮家庭計算,潛在需求空間超 120 億顆。通信設備市場呈現高速增長態勢,2023 年市場規模同比增長 31.5% 。5G 基站建設催生新需求,單基站 AAU 設備所需壓敏電阻數量從 4G 時代的 20 顆增至 58 顆,主要應用于電源管理單元(PMU)和天線調諧模塊(ATU)。
截至 2023 年底,中國已建成 328 萬座 5G 基站,按每年新建 60 萬座計算,對應年新增需求 3.48 億顆。新能源汽車與儲能系統開辟增量空間,2023 年車規級產品市場規模同比增長 89%。需滿足 AECQ200 認證標準,工作溫度范圍拓寬至40℃至 150℃。 800V 高壓平臺架構的普及推動耐壓等級從 650V 向 1200V 升級,相關產品研發投入占比從 2021 年的 12%提升至 2023 年的 27%。儲能電池管理系統(BMS)需求爆發,2025 年全球儲能新增裝機量預計達 300GWh,直流快充樁因 1500V 系統應用需要開發特種密封型產品,而交流樁趨向標準化模組設計。車規級產品認證體系完善度不足仍是主要制約因素,目前國內通過 IATF 16949 認證的壓敏電阻制造商不足 3 家,產能缺口巨大4。
綜上所述, 需要對現有的高能貼片壓敏電阻在國際領導品牌同類產品的替代方面,在高能貼片壓敏電阻在自身固有屬性優勢的應用方面,以及新的技術趨勢的新的保護特點對高能貼片壓敏電阻的發展提出新的發展方向方面,做出有益的探討,以促進高能貼片壓敏電子行業的發展,從而促進電子行業的發展。以下就高能貼片壓敏電阻跟其他同類過壓保護器件的比較,高能貼片壓敏電阻在高電壓應用,在低電壓的應用以及在汽車電子馬達保護中對插腳壓敏的替代應用,高能貼片壓敏電阻跟隨新技術發展,在 PD 快充和汽車拋負載應用,以及失效開路產品開發方面做出探討。
一、高能貼片壓敏電阻對插腳壓敏和TVS的替代
常用的過壓保護器件有氣體放電管GDT,瞬態抑制二極管TVS,固體放電管TSS以及壓敏電阻MOV,他們的過壓保護的工作原理都是一樣的,如圖一所示。

過壓保護器件的電路保護機理都是相同的,也就是過電壓保護器件是并聯在被保護器件中,當電路處于正常的工作狀態,也就是沒有電壓異常的情況下,保護電路是開路的,只有極小的漏電流通過,這個時候保護線路不影響被保護的設備的正常工作。如果一旦有過電壓的情況發生,并聯的過電壓保護器件會馬上動作,過壓保護器件從高電阻開路狀態轉變為低電阻的短路的狀態,而過電壓也同時被過壓器件限制在一個相對可控的電壓范圍內,而同時大量的過電流就從過壓器件被導走,從而保護了電子設備免遭過電壓的損壞。
根據動作機理中鉗位電壓的不同,過壓器件可以基本上分成兩類,一類被稱為鉗位類型過壓保護器件,典型的器件有壓敏電阻MOV和瞬態抑制二極管TVS,另外一類是開關型過壓保護器件,典型的器件有氣體放電管GDT,固體放電管TSS等,一般開關型過壓保護器件有高電壓下續流的特性,不能單獨使用,所以通常用在信號保護的場合,而鉗位型的過壓保護器,一般有比較高的寄生電容,通常不能有頻率要求的保護場合,多用于電源的保護。
從更細分的電氣特性來說,這些開關型器件和鉗位型器件,根據產品本身的屬性和應用的特點,各有優勢和適合的應用場合,下圖是對這些產品的一個對比說明。

從上面的對比圖可以看出,在戶外大能量保護的場合,氣體放電管是能耐受浪涌能量最大的器件,所以通常是用于第一級的保護,但是缺點也很明顯,鉗位電壓太高,通常需要第二級的保護進一步的限壓,而瞬態抑制二極管TVS的耐受浪涌的能力最弱,通常作為設備級別的精細保護 ,這是TVS最為突出的優點。壓敏電阻則是介于氣體放電管GDT和瞬態二極管TVS之間的一類保護器件,也就是說壓敏電阻的抗浪涌的能力不如GDT,但是鉗位的精準度則優于GDT,保護精準度不如TVS,但是抗浪涌的能力則優于TVS。
高能貼片壓敏電阻的出現,讓壓敏電阻的保護特點在保留浪涌大通流的基礎上,進一步縮小了體積,并且實現了貼片化,這極大的方便了布線和生產自動化,是插腳壓敏電阻適用電子行業發展趨勢貼片化的一類變化。同時高能貼片壓敏電阻也提升了耐受浪涌沖擊的重復性和一致性,殘壓要求不高,但是通流能力要求高的場合,可以對TVS進行替代,特別是高壓大通流場合,高能貼片壓敏電阻表現出它獨有的不可替代性。高能壓敏電阻還有高溫穩定性的特點, 在某些有高溫環境要求的,高能貼片壓敏電阻具有非常明顯的高溫穩定性的優勢。
圖中分別對插腳壓敏電阻以及高能貼片壓敏電阻的結構和性能進行對比。

插腳壓敏電阻是把噴霧造粒的粉料,用干壓法制作成生胚,生胚經過燒制成瓷,再經過外電極涂覆、裝腳和環氧包封制作而成。不同于插腳壓敏電阻的工藝, 高能貼片壓敏電阻是用類似于MLCC的疊層工藝制作而成,具體來說,先將研磨好的漿料制成薄帶,然后在薄帶上印刷電極,隨后把帶有內電極的薄帶多層層壓而成,疊層好的功能層的上下蓋也是用氧化鋅陶瓷包封,用等靜壓的設備壓合成一體制成生胚,所以疊層工藝的壓敏電阻具有小型化和貼片化的特點,同時因為生產制造環境潔凈,工藝精細,所以一致性和穩定性也較好,高能貼片壓敏電阻經過外電極的燒制以及表面絕緣層的熱處理,溫度都是在600~700℃,這些高溫的過程并沒有對產品的電氣性能有較大的影響,相比而言,插腳壓敏電阻經過600℃的高溫處理, 電壓和漏電流都有很大的變化,以至于遠遠偏離當初的設計參數,這是高能貼片壓敏電阻截然不同于插腳壓敏電阻的特點,所以高溫性能也穩定。
高能貼片壓敏電阻在超過標稱的浪涌沖擊時,也會失效,但是因為高能貼片壓敏電阻整體都是氧化鋅陶瓷和金屬電極,并沒有能燃燒的物質,所以失效不起火,使用安全,表二就是對插腳壓敏電阻和高能貼片壓敏電阻從應用的角度進行在各性能參數方面的比較圖。

總而言之,高能貼片壓敏電阻是可以對插腳壓敏電阻的應用在小型化貼片化角度進行替代,典型的應用就是以照明中的線性電源應用為代表高壓應用的插腳壓敏電阻的替代。高能貼片壓敏電阻高通流和小尺寸的特點,可以對瞬態抑制二極管在低壓應用領域進行替代,典型的應用就是安防和通訊中的POE保護。
(1)高能貼片壓敏電阻在高工作電壓領域對插腳壓敏電阻的替代舉例
在照明行業,線性DOB剛剛興起是符合行業發展趨勢的新技術, 障礙該新技術的發展一個重要瓶頸就是電路保護問題。線性線路的特點, 是非常容易遭受浪涌破壞,線性電源也最適合用于小功率的燈泡,這也是照明市場量最大的細分市場,但是傳統的保護器件插腳的壓敏電阻體積大,非貼片,在很小體積的驅動線路板中,難以布線和加工,還有插腳壓敏電阻體積大擋光等弱點,浪涌保護效果也差,把插腳壓敏電阻臥倒緊靠熱的鋁基板,也容易使得插腳壓敏電阻的環氧層老化,影響其絕緣性能,這些因素一起,就制約了LED線性電源的發展。
高能貼片壓敏電阻的出現,成功的解決了以上的問題,下圖就是照明行業的布線原理圖和實例圖。從下圖可以看出,高能貼片壓敏電阻使得線性DOB的生產組裝變得簡單,并且使用效果和安全性得到了極大的保證。
高壓高能的貼片壓敏電阻除了在照明行業的應用, 目前已經應用到的其他領域有智能家居、小家電、充電槍、電動窗簾、軌道交通、電表、低壓電器、電焊機、電磁爐和手機充電器等。

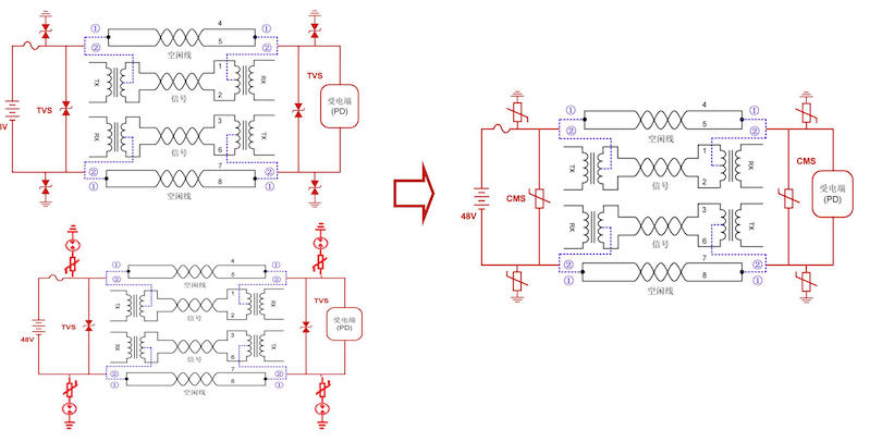
(2)高能貼片壓敏電阻對TVS的替代舉例
高能貼片壓敏在大功率的TVS替代方面,有極大的替代和互補性,這是因為高能貼片壓敏的體積更小,通流更大,價格更低,同時在高溫125度工作溫度下,有超過TVS更穩定的電性能參數。最為典型的應用就是安防通訊48V電源的保護,下圖就以POE保護為例,說明高能貼片壓敏電阻在通訊安防行業的應用。
在POE中的保護,傳統是有兩種典型保護方案,一種是氣體放電管串聯插腳壓敏電阻的模式,一種是TVS的模式,他們各有優缺點,氣體放電管的模式,雖然可以做到很大的通流能力,但是保護的效果差,通常要做兩級的防護方案,所以用到的器件多,方案復雜,布線空間大,溫度的穩定性也不高。現在的方案通常是用TVS的方案,這個方案雖然一定程度上避免了第一個方案的缺點,在保護效果和布線空間上大有提升,但是溫度的穩定性仍然比較差,布線的體積仍然很大,比如在RJ45接口端的保護,TVS的體積太大就沒有辦法布線,再說TVS要達到比較高的浪涌防護能力,必須用TVS芯片疊片的方式,造價比較高。
相比傳統方案和TVS方案,高能貼片壓敏電阻的方案,體積更小,能節省布線空間,溫度的穩定性也進一步提升,特別是用到局級的通訊設備上,對浪涌等級要求更高的場合,高能貼片壓敏電阻就顯得優勢更加明顯。當前華為、中興、海康和大華都采用了高能貼片壓敏電阻作為保護器件。目下圖是典型的高能貼片壓敏電子在POE保護中的方案。
高能貼片壓敏電阻在低壓領域的應用也非常廣泛, 除了上面說的通訊和安防以外,在其他的領域推廣開的有消防、汽車電子、電梯、新能源、掃地機器人、機頂盒、新能源BMS保護等。

二、高能貼片壓敏電阻的獨特應用場景
壓敏電阻最重要的應用場合是電源端的保護,特別是隨著第三代半導體技術氮化鎵的廣泛推廣,越來越多的高電壓電源需要保護, 比如超過650V的工作電壓,在設備級別的保護方案中,整個的電路保護家族中,目前還沒有出現合適的過壓保護器件,高電壓高通流的貼片壓敏電阻的出現,正好填補了這個空白,是目前最符合設備級別高電壓保護的器件就是高能貼片壓敏電阻。
在設備級別的過壓保護中,插腳的壓敏電阻雖然能做到高電壓和大通流,但是很難小型化和自動化生產,并且鉗位電壓稍高,保護效果不理想,一致性和耐沖擊重復性也較差;瞬態抑制二極管,雖然是貼片產品,重復性和一致性以及鉗位都比較理想,但是很難做到高通流,就算做到高通流,一般都是多顆TVS管串聯, 占有空間體積大,價格昂貴。高能高壓貼片壓敏電阻的出現, 正好填補電路保護器件的這一空白,成為高電壓領域的最佳選擇,也是符合電子行業發展趨勢的一類產品。
下面就以電磁爐中的高壓MOS的保護為例,說明高能高壓貼片壓敏電阻的保護方案。 在常見的電磁爐的高壓MOS保護,MOS管的工作電壓高達900V,并且有空間尺寸的限制,所以一般用到的是3顆SMBJ400CA的TVS串聯,達到1200V的保護電壓,而通流的能力也只有10A(8/20 μs),如果用到高能高壓貼片壓敏電阻,一顆尺寸是1210的產品,就可以達到工作電壓是1200V,浪涌通流能力是100A 。所以不管是體積上還是價格上,還是抗浪涌的能力上,還是高溫穩定性方面,高能貼片壓敏電阻都大大優于TVS。

下圖是貼片壓敏電阻對TVS替代的尺寸圖,從圖上可以看出,用高能貼片壓敏電阻能大大的節省布線空間, 因為是一顆高能貼片壓敏電阻對三顆TVS管的替代,體積縮小為原先的1/10不到,而通流也至少是5倍TVS的通流以上。

在高電壓大通流應用領域,潛在的應用場景非常廣泛,除了上面提到的電磁爐,現在發現的應用有高壓充電樁、快速充電器,光伏逆變、智能家居和智能電網等領域都有廣泛的應用。
三、高能貼片壓敏電阻的發展趨勢的探討
中國貼片壓敏電阻器行業在2023年市場規模已達58.2億元,中國本地企業和外資企業在市場占有上旗鼓相當,但是細分領域表現差異顯著:在消費電子、家用電器等中低端應用領域, 本土企業占據主導地位,其市場份額超過68%;而在汽車電子、工業控制等高端領域,外資企業仍維持技術壁壘優勢,占據73%的市場份額,中國的高能壓敏電阻企業鮮有進入者,所以中國企業提升產品的品質,生產出車規級符合AECQ200認證的產品是未來中國企業的用力方向。
據國家有關部門的預測,未來5年中國貼片壓敏電阻的復合增長率超過9.3%,其核心增長動力源于新能源汽車、5G通信基站及智能家電領域的爆發式需求。特別是隨著第三代半導體技術氮化鎵等的普及,智能家電領域呈現結構性升級趨勢,變頻空調、智能廚電對耐高壓型壓敏電阻器(600V以上)需求年增速達17%,而作為光伏逆變器配套市場,隨著1500V系統普及,高電壓大通流保護器件的需求也激增,對電路保護器件的性能要求也持續提升。
對電路保護器件的高耐壓和低殘壓以及大通流的要求正在成為行業的關鍵需求,而作為過壓防護核心元件的高能貼片壓敏電阻,本身具備高電壓和大通流的特性,如果能降低其殘壓保護效果,則必然會成為新一代電子技術發展趨勢的不可替代的關鍵保護器件。
同時高能貼片壓敏電阻在生產制造工藝跟獨石結構的電流保險絲類似的工藝特點,也使得高能貼片壓敏電阻具備失效開路方面可能性,高能化、低殘壓更好的保護效果以及使用高安全性等特點,都使得高能貼片壓敏電阻有可能成為新一代電路保護的核心領軍器件,下文就是從高能貼片壓敏的這些特點出發,探索了現在的高能貼片壓敏電阻在高工作電壓和低工作電壓的領域應用的場景,以及在適應新一代電子技術發展趨勢方面,該產品的發展方向,為高能貼片壓敏電阻的行業發展,在當前和將來,做出有益的探索。
(1)高能低壓貼片壓敏電子在汽車電子中的應用
中汽協數據顯示,2023年國內新能源汽車產量達958萬輛,汽車電子中典型使用高能貼片壓敏電阻的場合是電源和馬達,其中馬達的使用,有的一輛汽車有差不多40個馬達,分別用于車窗的升降,轉向燈,雨刷以及座椅的調節等,另外一個典型的應用汽車車燈的保護和電池的拋負載保護。汽車電子智能化和安全性發展,對保護器件推出了更高端的需求,首先是要求電路保護器件工作在
-40℃~125℃的寬溫度范圍內,各項電參數方面不能折減,甚至有的客戶提出150℃或者175℃的環境工作要求,能自然滿足該需求的就是高能貼片壓敏電阻了。在當前馬達的生產中, 消噪通常是用插腳壓敏電阻,插腳壓敏電阻最大的問題就是組裝需要手工焊接,一致性差,并且絕緣距離也不夠,而用貼片壓敏電阻,就能方便的實現自動化和有效保證絕緣距離,并且在高溫穩定性和保護的一致性方面,都優于插腳壓敏電阻。下面就是這兩種方式的比較圖片。

(2)高能高電壓貼片壓敏電阻在手機快充中的應用
2023年國內智能手機產量達11.7億部,充電器按照每部兩只計算,一年的充電器超過23億只,手機快充功能已經成為中高端手機的標配,按照一半是快充來計算,快充每年也有11億只。 快充市場的需求旺盛。同時電子行業的發展, 對快充的安全性和低碳環保,也提出了新的要求,這樣對電路保護器件,在高耐受電壓、大通流能力、小尺寸、低功耗和高安全性等相應提出了高的要求。
如果按照快充行業的電路保護標準來說,希望在過壓保護器件能通過UL62638的測試,也就是耐壓要通過480VAC 耐壓測試, 同時殘壓在8/20 μ s波形1.5KV的測試下,要低于800V,也就是說要通過UL62638的測試耐壓測試,至少要求過壓保護器件的擊穿電壓超440*1.414=622V,而殘壓在750A通流下不能大于800V的殘壓,還有就是過壓保護器件的高度不能超過10毫米, 曾經有公司用TVS芯片疊層的方式做過嘗試,生產工藝難以批量不說,產品的高度也超過了10毫米,并且難以實現貼片化,價格昂貴,用TVS的保護方案這條路非常難以走通。 同時,現在我們國家的快充,也在把待機功耗從150mW向35mW發展。

高能貼片壓敏電阻具有小尺寸大通流的特征,可以滿足小型化、貼片化和大通流的要求, 關鍵就是殘壓太高,對后端的保護效果不理想,如果能在高能壓敏電阻既有優勢特性的基礎上,開發低殘壓的高能貼片壓敏電阻,如果能達成TVS的殘壓效果,就有可能成為引領行業的新一代產品。這也符合新時代電子行業發展趨勢的新產品。按照這種思路,國內某貼片壓敏電阻B企業做了嘗試,成功實現了上述的功能,下面就是對該產品的介紹。
從尺寸的數據上看,跟半導體封裝的SMC封裝接近,是可以用同樣的PCB布線焊盤,厚度只有不到5毫米,滿足客戶對于尺寸的要求。具體的尺寸數據見圖八。
從常規參數的測試數據看, 1mA下的擊穿電壓在700V左右,能滿足兩倍的工作電壓耐壓440VAC的耐壓測試,在550V直流條件下,漏電流小于5 μA 。在浪涌防護能力方面,可以通過8/20 μ s 1KA的測試,滿足客戶希望的1.5KV 750A的要求,在殘壓上,在浪涌波形8/20 μ s沖擊下,2000V浪涌的殘壓不超過800V,可以滿足客戶對1.5KV浪涌沖擊下殘壓的測試要求。具體的測試數據見下表。

在另外一個客戶關注的溫升測試中,不管是在25℃的環境溫度下,還是在80度的環境溫度下,在帶載480VDC 情況下,產品本體沒有溫升問題。現在的快充產品,現在大部分產品的待機功耗是150mW,有國際知名的公司做出了35mW功耗的快充產品,因為符合低碳綠色環保的理念,所以這個低待機功耗就成了行業追求的一個重要參數,具體的測試測試見圖九。
對于過壓保護器件高耐壓低殘壓的要求,除了快充的應用以外,現在發現的應用還有低壓電器、智能家居、工業控制和光伏逆變以及充電樁等,不僅僅是高工作電壓領域,在低壓的工作領域,同樣有高耐壓和低殘壓的要求,典型的應用就是汽車電子和新能源的BMS等,下面就說明高耐壓低殘壓的要求在低工作電壓場合的應用案例。

(3)高能低電壓產品在汽車電子中的應用
汽車電子的電源一般是12VDC或者24VDC,在小汽車的電源,一般是12VDC電源,對電路保護的器件,是要通過汽車電子行業的ISO7637的標準測試。拋負載測試是汽車電子電源保護的一個重要測試項目,一般是用于汽車蓄電池突然斷電的保護,對保護器件最重要的就是三個要求指標是:耐壓測試,浪涌測試和殘壓測試。在早期的拋負載保護方案中,或者歐洲和日本的汽車電子保護方案中,多用壓敏電阻作為保護器件,這是因為貼片壓敏電阻在高溫穩定性以及震動測試項目方面,有他獨特的優勢,有的車企,甚至提出了電路保護器件要工作溫度在150℃甚者是更高的175℃環境溫度下,有這種高工作溫度要求的,貼片壓敏電阻就是最佳的選擇。下圖是普通的多層壓敏電阻和經過殘壓改善后的壓敏電阻的比較圖。普通的壓敏電阻測試數據是以國外某知名P公司產品為測試對象,經過殘壓改善是以國內B公司最新推出的產品為測試對象,下表是擊穿電壓和漏電流測試數據。


對于汽車電子12VDC的電源來說,都有24VDC的耐壓測試,具體耐壓需要多少時間,需要客戶跟供應商協商, 國外某知名廠商P的規格書里,這個耐壓的數字是24VDC,時間是5分鐘; 我們在常溫下測試,P公司是可以通過5分鐘耐壓測試的,考慮到汽車的內部環境溫度會到80度或者更高,所以對于耐壓測試,不考慮殘壓的情況下,是越高越好,測試的結果表明,P公司的可以通過規格書的要求,1mA擊穿電壓不到22V,電流已經超過了3mA, 產品的表面溫度比較高。國內廠家B,在同樣測試條件下,擊穿電壓超過25VDC,在24VDC下的漏電流小于1mA,產品的表面完全不發熱,耐壓性能穩定。
過壓產品的高耐壓是跟殘壓密切相關的,通常情況下,高耐壓也意味著高殘壓,也就是強調工作電壓的余量的情況下,需要犧牲保護效果,反之亦然。如果在提升高耐壓的情況下, 同時降低了殘壓,無疑是產品品質的提升,也是市場對于高能貼片壓敏電阻提出的更高要求,下圖就是比較國外知名企業P和國內貼片壓敏電阻廠家B在殘壓方面的比較。

從以上數據可以看出,不僅B公司的CMSL產品具有更好高的耐壓性能,殘壓保護效果也優于國外知名公司P,用圖形的方式表示,能更加直觀看到兩者殘壓的對比情況。
(4)高能低電壓產品在新能源BMS中的應用
因為價格內卷越發激烈,BMS設計工程師比較頭疼的一個問題就是 ,難以選定匹配電路保護的器件。這主要表現在幾個方面,一個方面就是高耐壓和低殘壓,如果耐壓不夠,過壓保護器件會誤動作, 同時必然也會縮短TVS管使用壽命,而如果過壓保護器件選的耐壓高了,殘壓相應的也會增加,保護效果就會受到影響,被保護的MOS管因為成本的原因,各家的耐壓各不相同,提升耐壓,使用高耐壓的MOS管,也就意味著成本的增加, 同時使用的電氣環境難以預測的原因,設計工程師不得不以增加多顆大功率TVS并聯的方式,來降低殘壓和保證不可預測的過壓大通流。這種單純增加多顆TVS管并聯的方式,對降低殘壓的效果有限,并且因為并聯的多顆TVS管擊穿誤差的原因,最容易被擊穿的一顆TVS管決定的并聯線路最大通流能力,也就是說一顆TVS管被擊穿,整個并聯的多顆TVS管就一起失效。
如果用低殘壓的高能貼片壓敏,就能解決這些頭疼的問題。一個方面就是高能貼片壓敏電阻本來就是小體積大通流的產品,所以一顆同樣體積的產品,可以替代3顆甚至6顆TVS管,并且沒有多顆TVS管并聯的誤差匹配問題,也就是工程師所謂的“肩膀”問題,如果能同時降低高能貼片壓敏電阻的殘壓問題,就可以使用低耐壓的MOS管,并且減少了布線的面積,從而降低了設計的成本,同時也減少了失效的風險。 下圖比較了CMSL產品跟大功率TVS的尺寸對比。

從上面的圖片可以看出,一顆CMSLA的產品,通流就可以跟SMC的相當,進行一對一的替換,大大減小了布線尺寸。如果工程師愿意嘗試一顆CMSL對多顆TVS的替代,從右圖可以看出,用一顆CMSLD的產品,跟SMC的TVS可以使用同樣的焊盤,但是可以替代6顆TVS,極大節能的布線空間,因為減少了6顆TVS的誤差匹配,也極大提高了使用效果。如果要靈活的實現一顆對多顆的替代,甚至一顆對超過6顆的替代,可以把CMSL做成對標TVS的SMA、SMB和SMC封裝的產品,或者是3225封裝甚至是4032封裝,以符合客戶對各種通流能力的產品。
從下表的測試數據可以看出,一顆SMA封裝尺寸的CMSLAV101P501,可以通過8/20us 500A 的通流,而殘壓只有120V,作為對比,一顆SMCJ100CA的TVS,通流只有124V,殘壓162V。考慮到BMS的充放電的MOS管保護中,波形更接近于10/1000us的波形, 以及實測中,TVS管也留有足夠的余量,所以一顆CMSLAV101P501可以對超過1顆的TVS SMCJ100CA(功率5KW)的替代。同樣,用一顆CMSLD820P102 可以對SMCJ85CA的產品進行超過6顆的替代。

(5)高能貼片壓敏電阻中失效開路的機理探討
一般來說,過電壓保護器件的失效模式是短路模式,這種失效模式的危害就是使得被保護設備供不上電,嚴重的后果會引起線路或者設備起火,釀成災難性的后果。為了避免過電壓保護器件的失效短路情況,通常有兩種解決的方式,一種是串聯過電流保險絲的模式,另外一種是串聯過溫度保護器件的模式,這兩種模式基本上都是外接過流或者過溫保護器件,來實現對過壓器件持續短路造成的危害,涉及到器件的選型的匹配等,增加了布線的空間和選型匹配的難度。
對于高能貼片壓敏電阻來說,可以在一個器件上實現失效開路的功能,這種思路的經驗來源就是:獨石結構的過流保險絲和高能貼片壓敏電阻是同一種生產制造工藝路線,也就是都是在陶瓷介質上印刷銀電極,不同的是在獨石結構的過流保險絲制造工藝里,用的陶瓷介質是氧化鋁,起到基板支撐和散熱的作用,高能貼片壓敏電阻用的陶瓷介質是氧化鋅,起到半導體功能介質的作用,如果用陶瓷氧化鋅介質作為過流保險絲的基板,影響的就是保險絲的散熱,這可以通過調節保險絲銀電極的印刷圖形,來調節保險絲的耐壓性能和過流特性,這樣就可以把一個過流保險絲和過壓高能壓敏電阻做成器件,同時實現了過壓保護和過流保護的作用,從而起到了一個失效開路的效果,其示意圖如下圖所示。

具體的設計思路是,在單層的氧化鋅介質上,先印上一段過流保護的銀電極,然后再把圖形放大,印刷成氧化鋅過壓器件的圖形,這樣一個介質上,就有了過流保護的功能和過壓保護的功能,把1到3層甚至更多的這樣的介質層并聯疊片,就做成了具有失效開路功能的過壓保護器。
產品測試結果表明,只要合理設計過流保護器的耐受浪涌沖擊能力,和電流熔斷的能力,使得過壓保護器件在損壞以前,或者失效短路長時間通過大電流的時候,就讓過流保護部分斷開,就能有效地實現失效安全的功能,從前面的對比圖可以看出,在過壓器件短路以前,過流保護部分就有效斷開了,這樣就起到了失效開路的效果。
隨著社會和電子行業對用電安全問題的越來越重視,失效安全不僅僅是電子行業非常重視的大問題,也是社會重視的大問題,如果能做出失效安全的過壓保護器,這是電子行業的一大革新性進步,在新能源、汽車電子、安防通訊以及智能家居行業,必然會得到極大的認可和推廣。
四、高能貼片壓敏電阻的應用總結
高能貼片壓敏電阻以其小型化、貼片化和高能化的優點,符合了電子行業向小型化、薄型化和輕量化發展的趨勢,從產品上來說,可以在某些特定的場合,實現對插腳壓敏的貼片化和TVS的替代。相比其他的過壓保護器件,高能貼片壓敏電阻有其獨特的優勢,也就是貼片化小尺寸和高電壓大通流,這個特點使得高能貼片壓敏電阻非常適合保護第三代氮化鎵半導體高電壓電源的電路安全,成為電路保護家族一類獨特的存在,填補了電路保護家族產品中在高電壓和大通流電路保護場合產品的不足,也使得電路保護產品家族更加完善。
目前我們國內對高能貼片壓敏電阻高端產業供給方面, 明顯行業投入不足,所以汽車電子和工業控制等高端市場都被國外的同類供應商占據,這就是希望國內的同行能充分重視,并且盡快實現國產化替代。
還有就是隨著電子行業對高耐壓、低殘壓以及使用安全性方面的需求和重視,也需要大家一起努力,使得高能貼片壓敏電阻作為一類有優異特性的保護器件,向著更加符合電子行業發展趨勢的方向發展,為電子行業的安全發展做出貢獻。
參考文獻:





